開關電源適配器設計方案 |
開關電源適配器設計方案
開關電源適配器設計方案的選取與普通開關電源不同,由于受到體積、重量和散熱條件的限制,開關電源適配器基本要求是電路簡單可靠、效率高、易于集成。本章僅對現在開關電源中采用的主要設i十方案進行了對比分析,并在此基礎上提出了大功率軟開關電源適配器設計方案。
3. 1單端正激設計方案
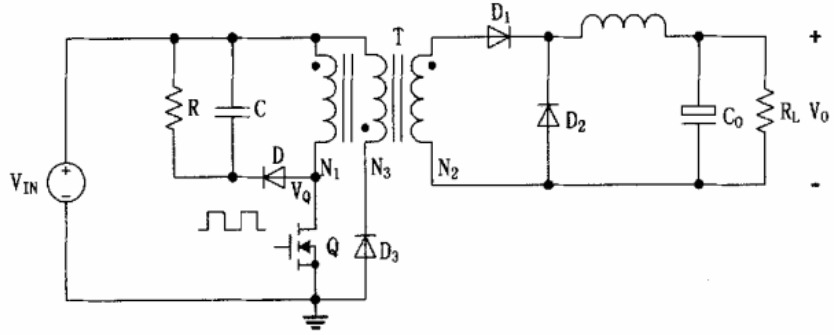
單端正激適配器功率變換電路原理如圖3.1所示。與理想的單端正激變換器不同,實際的變壓器由于初級繞組的電感不能無窮大。因此,在開關管Q導通時,高頻變壓器中一定會有一部分勵磁電流,而存貯一定的能量,當Q截止時這部分能量必須完全釋放,否則變壓器中的勵磁電流會不斷增加,較后導致磁芯飽和而損壞。圖中繞組N,,就是變壓器的復位繞組。它在Q截止時,通過D3為磁芯復位。同樣由于變壓器的非理想性,變壓器初級會存在一定的漏感,存貯在漏感中的能量也必須吸收,否則會因此在Q截止時漏感中電流突變將開關管Q擊穿,圖中RCD就是用來吸收入漏感中能量的。

圖3.1單端正激適配器功率變換原理圖
單端正激設計方案分析:
單端正激變換器在每一周期內開關管Q的紋波電流通常只為峰值電流的10%,在相同的脈寬下單端正激變換器要比單端反激變換器的紋波小得多,通常只為反激變換器的四分之一。因此在相同的脈寬下,單端正激變換器開關
管Q中的開關電流的的有效值要比單端反激變換器開關管中電流的有效值低25%。這在早期高壓大功率MOS管導通電阻比較高,開關管導通損耗嚴重的情況下,使用單端正激變換器,可以有效地提高幵關電源適配器的效率、降低生產成本。因此在早期開關電源適配器設計過程中,單端正激設計方案得到了廣泛的應用。然而隨著半導體工藝技術的發展,高電壓大功率MOS管導通電阻的下降,MOS管導通損耗己經不再是適配器設計的突出矛盾,單端正激變換器在一定的功率范圍內己經不冉具有優勢。尤其是當代開關電源適配器提出寬電壓輸入范圍的要求之后,單端正激變換器由于其本身固有的特點,現在開關電源適配器設計時,已經很少使用單端正激設計方案了。
單端正激變換器在寬輸入電壓情況時的特點如下:
1、單端正激變換器雖然開關管峰值電流和紋波電流比較小,但由于磁芯復位需要而增加的復位繞組,不僅不能有效減小開關變壓器的體積,同時也增加了變E器的繞制成本。
2、 一般來說為了使復位繞組與初級繞組耦合好,減化變壓器繞制工藝,復位繞組與初級繞組往往采用雙線并繞的形式。這就導致復位繞組與初級繞組匝數一致,每個周期內,開關管所承受的擊穿電壓都是輸入電壓的2倍,同時也導致單端正激變換器的大占空比不能超過0.5。這也就使我們在低輸入電壓時,不能通過增加占空比進一步減小開關管電流的有效值。
3、寬電壓輸入范圍時輸出整流二極管反向擊穿電壓高。使我們無法使應用低損耗整流二極管(如:肖特基二極管)或低導通電阻同步整流MOS管。
例如:在交流輸入電壓范圍為Vin=85VAC-275VAC時,輸出電壓為V。=19VDC,單端正激變換器大占空比為?=0.45的條件下,當輸入電壓為Vinmin=85VAC,經過整流濾波后,變換器的直流輸入電壓的較小值為100VDC時:
式中,V。為變換器輸出電壓,V;Vinmin為變換器輸入直流電壓較小值,V;n為變壓器變比;?為變換器導通占空比。
  
式中,Vr為輸出整流二極管D較大反向擊穿電壓,V;Vinmax 為輸入直流電壓較大值,V;n為12V電源適配器變壓器變比。
由此我們可以看出在寬電壓輸入范圍的條件下,輸出整流二極管反向擊穿電壓高,而當反向擊穿電壓超過100V時,我們就無法再使用肖特基二極管及低導通電阻同步整流MOS管來降低輸出整流的功耗。
文章轉載自網絡,如有侵權,請聯系刪除。 |
| | 發布時間:2017.10.09 來源: |
東莞市玖琪實業有限公司專業生產:電源適配器、充電器、LED驅動電源、車載充電器、開關電源等....